打开微信扫描二维码分享
×
中国政府网
|
重庆市人民政府网
|
重庆市黔江区人民政府
|
部门街镇
登录
(个人中心)
|
注销
注册
|
繁軆版
|
智能问答
|
支持IPV6
部 门
区政府办公室
区发展改革委
区教委
区科技局
区经济信息委
区民族宗教委
区公安局
区民政局
区司法局
区财政局
区人力社保局
区规划自然资源局
区生态环境局
区住房城乡建委
区城管局
区交通运输委
区水利局
区农业农村委
区商务委
区文化旅游委
区卫生健康委
区退役军人事务局
区应急局
区审计局
区国资委
区市场监管局
区统计局
区医保局
区林业局
区信访办
区大数据发展局
区招商投资局
黔江高新区管委会
乡 镇
城东街道
城南街道
城西街道
舟白街道
正阳街道
冯家街道
小南海镇
邻鄂镇
阿蓬江镇
石会镇
黑溪镇
黄溪镇
黎水镇
金溪镇
马喇镇
濯水镇
石家镇
鹅池镇
中塘镇
沙坝镇
白石镇
太极镇
五里镇
水市镇
蓬东乡
杉岭乡
水田乡
白土乡
金洞乡
新华乡
进入适老模式
无障碍阅读
重庆市黔江区应急管理局
搜索
首页
政务公开
政务服务
互动交流
您当前的位置:
区应急局
>
政务公开
>
法定主动公开内容
>
应急管理
>
应急预案
您当前的位置:
区应急局
>
政务公开
>
法定主动公开内容
>
应急管理
>
应急预案
索引号
11500114MB18870450/2025-00060
主题分类
应急管理
体裁分类
预案
成文日期
2025-06-27
发布日期
2025-06-29
文件标题
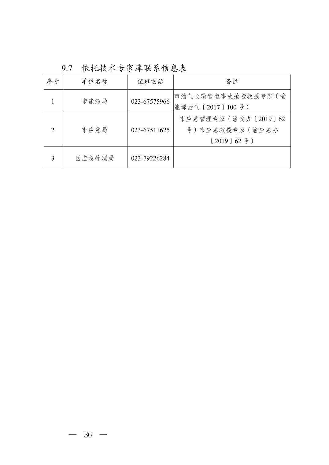
重庆市黔江区人民政府办公室关于印发黔江区石油天然气长输管道事故 应急预案的通知
发布机构
黔江区应急管理局
有效性
重庆市黔江区人民政府办公室关于印发黔江区石油天然气长输管道事故 应急预案的通知
【 字号:
默认
大
超大
】
分享:
←滑动查看完整表格→